In accordance with personal data protection laws enforced by the European Union, we are committed to protecting your personal data and providing you with control over your personal data.
We have updated and will periodically update our Privacy Policy, to comply with the personal data protection. Please refer to our latest version of Privacy Policy。
This website uses cookies to provide a better browsing experience. To find out more about the cookies we use, pleas check here。
HOME
Products
Product Search
SEARCH
Category
Subcategory
APX7311
Active
Three-Phase Sine-Wave Brushless DC Motor Controller
Features
General Description
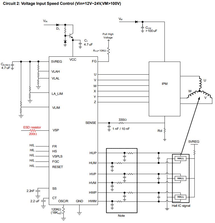
The APX7311 is a three-phase sine-wave DC brushless motor driver with PWM variable speed control, current limit protection and lead angle control features suitable for the motor of air conditioners, household energy saving fans and pumps. This sine-wave motor drive product uses the hall sensor signals, and the control system is able to execute the PWM commutation by switching the three-phase inverter. This function can improve efficiency and reduce noises in fan motors. It also has rotation speed detection output. The APX7311 is available in SSOP-30 and TQFN4X4-32B packages (see Pin Configuration).
Features
- Three-Phase Brushless Motor Controller
- Sine-Wave PWM Control
- Support hall element & hall IC
- Built-in Triangular-Wave Generator
- Built-in Lead Angle Control Function (0° to 58°)
- Built-in Dead Time Function
- Built-In Regulator
- Built-in Variable Speed Function
- Built-in Current Limit Circuit
- Built-in Lock Protection and Auto Restart Function
- Built-in FG & 3FG output signal selection
- Lead Free and Green Devices Available (RoHS Compliant)
General Description
The APX7311 is a three-phase sine-wave DC brushless motor driver with PWM variable speed control, current limit protection and lead angle control features suitable for the motor of air conditioners, household energy saving fans and pumps. This sine-wave motor drive product uses the hall sensor signals, and the control system is able to execute the PWM commutation by switching the three-phase inverter. This function can improve efficiency and reduce noises in fan motors. It also has rotation speed detection output. The APX7311 is available in SSOP-30 and TQFN4X4-32B packages (see Pin Configuration).