依據歐盟施行的個人資料保護法,我們致力於保護您的個人資料並提供您對個人資料的掌握。 我們已更新並將定期更新我們的隱私權政策,以遵循該個人資料保護法。請您參照我們最新版的 隱私權聲明。
本網站使用cookies以提供更好的瀏覽體驗。如需了解更多關於本網站如何使用cookies 請按 這裏。
首頁
產品資訊
產品搜尋
SEARCH
產品類別
產品次類
APX9150
Active
Single-Phase Full-Wave Motor Driver with Built-in Hall Sensor
Features
General Description
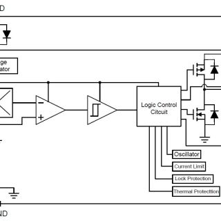
The APX9150 is an integrated Hall Effect Sensor IC designed for electric commutation of single-phase DC brushless motor applications. The device is built-in lock protection. When fan is locked, the device will enter the lock protection mode. It is also with thermal shutdown function. The APX9150 is available in a low cost TSOT23- 6F package.
Features
- On-chip Hall Sensor
- PWM Soft Switch
- High Sensitivity Hall Effect Sensor IC: ±10G(typ.)
- Built-in Lock Protection and Auto Restart Function
- Built-In Quick Start Function
- Speed Controllable by PWM Input Signal
- Built-In 50% Duty Force Start Function
- FG (Rotation Speed Detection) Output
- Built-in Thermal Protection Circuit
- 6 Pin TSOT23-6F Package
- Lead Free and Green Devices Available (RoHS Compliant)
General Description
The APX9150 is an integrated Hall Effect Sensor IC designed for electric commutation of single-phase DC brushless motor applications. The device is built-in lock protection. When fan is locked, the device will enter the lock protection mode. It is also with thermal shutdown function. The APX9150 is available in a low cost TSOT23- 6F package.
APX9151
Active
Single-Phase Full-Wave Motor Driver with Built-in Hall Sensor
Features
General Description
The APX9151 is an integrated Hall Effect Sensor IC designed for electric commutation of single-phase DC brushless motor applications. The device is built-in lock protection. When fan is locked, the device will enter the lock protection mode. It is also with thermal shutdown function. The APX9151 is available in a low cost TSOT23-6F packages.
Features
- On-chip Hall Sensor
- PWM Soft Switch
- High Sensitivity Hall Effect Sensor IC: ±10G(typ.)
- Built-in Lock Protection and Auto Restart Function
- Built-In Quick Start Function
- Speed Controllable by PWM Input Signal
- FG (Rotatioin Speed Detection) Output
- Built-in Thermal Protection Circuit
- 6 Pin TSOT23-6F Package
- Lead Free and Green Devices Available (RoHS Compliant)
General Description
The APX9151 is an integrated Hall Effect Sensor IC designed for electric commutation of single-phase DC brushless motor applications. The device is built-in lock protection. When fan is locked, the device will enter the lock protection mode. It is also with thermal shutdown function. The APX9151 is available in a low cost TSOT23-6F packages.
APX9151S
Active
Single-Phase Full-Wave Motor Driver with Built-in Hall Sensor
Features
General Description
The APX9151S is an integrated Hall Effect Sensor IC designed for electric commutation of single-phase DC brushless motor applications. The device is built-in lock protection. When fan is locked, the device will enter the lock protection mode. It is also with thermal shutdown function. The APX9151S is available in a low cost TSOT23- 6F package.
Features
- On-chip Hall Sensor
- PWM Soft Switch
- GMD (Green Motor Drive)
- High Sensitivity Hall Effect Sensor IC: ±10G(typ.)
- Built-in Lock Protection and Auto Restart Function
- Built-In Quick Start Function
- Speed Controllable by PWM Input Signal
- Built-In 50% Duty Force Start Function
- Asynchronous FG (Rotation Speed Detection) Output
- Built-in Thermal Protection Circuit
- 6 Pin TSOT23-6F Package
- Lead Free and Green Devices Available (RoHS Compliant)
General Description
The APX9151S is an integrated Hall Effect Sensor IC designed for electric commutation of single-phase DC brushless motor applications. The device is built-in lock protection. When fan is locked, the device will enter the lock protection mode. It is also with thermal shutdown function. The APX9151S is available in a low cost TSOT23- 6F package.
APX9153
Active
Single-Phase Full-Wave Motor Driver with Built-in Hall Sensor
Features
General Description
The APX9153 is an integrated Hall Effect Sensor IC designed for electric commutation of single-phase DC brushless motor applications. The device is built-in lock protection. When fan is locked, the device will enter the lock protection mode. It is also with thermal shutdown function. The APX9153 is available in a low cost XTDFN 2x1.5-6 package.
Features
- On-chip Hall Sensor
- PWM Soft Switch
- Built-in Reverse Voltage Protection Circuit
- High Sensitivity Hall Effect Sensor IC: ±10G
- Built-in Lock Protection and Auto Restart Function
- Soft Start Function
- FG (Rotation Speed Detection) Output
- Built-in Thermal Protection Circuit
- 6 Pin XTDFN 2x1.5-6 Package
- Lead Free and Green Devices Available (RoHS Compliant)
General Description
The APX9153 is an integrated Hall Effect Sensor IC designed for electric commutation of single-phase DC brushless motor applications. The device is built-in lock protection. When fan is locked, the device will enter the lock protection mode. It is also with thermal shutdown function. The APX9153 is available in a low cost XTDFN 2x1.5-6 package.
APX9153C
Active
Single-Phase Full-Wave Motor Driver with Built-in Hall Sensor
Features
General Description
The APX9153C is an integrated Hall Effect Sensor IC designed for electric commutation of single-phase DC brushless motor applications. The device is built-in lock protection. When fan is locked, the device will enter the lock protection mode. It is also with thermal shutdown function. The APX9153C is available in a low cost XTDFN 2x1.5-6 package.
Features
- On-chip Hall Sensor
- PWM Soft Switch
- Built-in Reverse Voltage Protection Circuit
- High Sensitivity Hall Effect Sensor IC: ±10G
- Built-in Lock Protection and Auto Restart Function
- Force Start Drive by Full Duty
- FG (Rotation Speed Detection) Output
- Built-in Thermal Protection Circuit
- 6 Pin XTDFN 2x1.5-6 Package
- Lead Free and Green Devices Available (RoHS Compliant)
General Description
The APX9153C is an integrated Hall Effect Sensor IC designed for electric commutation of single-phase DC brushless motor applications. The device is built-in lock protection. When fan is locked, the device will enter the lock protection mode. It is also with thermal shutdown function. The APX9153C is available in a low cost XTDFN 2x1.5-6 package.
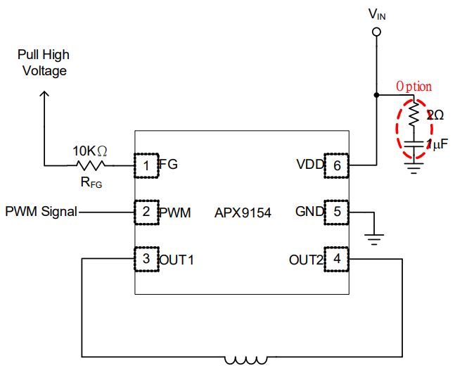
APX9154
Active
Single-Phase Full-Wave Motor Driver with Built-in Hall Sensor
Features
General Description
The APX9154 is an integrated Hall Effect Sensor IC designed for electric commutation of single-phase DC brushless motor applications. The device is built-in lock protection. When fan is locked, the device will enter the lock protection mode. It is also with thermal shutdown function. The APX9154 is available in a low cost XTDFN 2x1.5-6 package.
Features
- On-chip Hall Sensor
- PWM Soft Switch
- Built-in Reverse Voltage Protection Circuit
- High SensitivityHall Effect Sensor IC: ±10G
- Built-in Lock Protection and Auto Restart Function
- Soft Start Function
- Built-In Quick Start Function
- Speed Controllable by PWM Input Signal
- FG (Rotation Speed Detection) Output
- Built-in Thermal Protection Circuit
- 6 Pin XTDFN 2x1.5-6 Package
- Lead Free and Green Devices Available (RoHS Compliant)
General Description
The APX9154 is an integrated Hall Effect Sensor IC designed for electric commutation of single-phase DC brushless motor applications. The device is built-in lock protection. When fan is locked, the device will enter the lock protection mode. It is also with thermal shutdown function. The APX9154 is available in a low cost XTDFN 2x1.5-6 package.
APX9154C
Active
Single-Phase Full-Wave Motor Driver with Built-in Hall Sensor
Features
General Description
The APX9154C is an integrated Hall Effect Sensor IC designed for electric commutation of single-phase DC brushless motor applications. The device is built-in lock protection. When fan is locked, the device will enter the lock protection mode. It is also with thermal shutdown function. The APX9154C is available in a low cost XTDFN 2x1.5-6 package.
Features
- On-chip Hall Sensor
- PWM Soft Switch
- Built-in Reverse Voltage Protection Circuit
- High SensitivityHall Effect Sensor IC: ±10G
- Built-in Lock Protection and Auto Restart Function
- Force Start Drive by Full Duty
- Built-In Quick Start Function
- Speed Controllable by PWM Input Signal
- FG (Rotation Speed Detection) Output
- Built-in Thermal Protection Circuit
- 6 Pin XTDFN 2x1.5-6 Package
- Lead Free and Green Devices Available (RoHS Compliant)
General Description
The APX9154C is an integrated Hall Effect Sensor IC designed for electric commutation of single-phase DC brushless motor applications. The device is built-in lock protection. When fan is locked, the device will enter the lock protection mode. It is also with thermal shutdown function. The APX9154C is available in a low cost XTDFN 2x1.5-6 package.
APX9166
Active
Single-Phase Full-Wave Motor Driver with Built-in Hall Sensor
Features
General Description
The APX9166 is an integrated Hall Effect Sensor IC designed for electric commutation of single-phase DC brushless motor applications. The device is built-in lock protection. When fan is locked, the device will enter the lock protection mode. It is also with thermal shutdown function. The APX9166 is available in a low cost TO92-M4 package.
Features
- On-Chip Hall Sensor
- Silent Driver
- High Sensitivity Hall Effect Sensor IC: ±15G(Type.)
- Built-in Lock Protection and Auto Restart Function
- Built-In Thermal Protection Circuit
- 4 Pin TO92-M4 Package
- Lead Free and Green Devices Available (RoHS Compliant)
General Description
The APX9166 is an integrated Hall Effect Sensor IC designed for electric commutation of single-phase DC brushless motor applications. The device is built-in lock protection. When fan is locked, the device will enter the lock protection mode. It is also with thermal shutdown function. The APX9166 is available in a low cost TO92-M4 package.
APX9170
Active
Single-Phase Full-Wave Motor Driver with Built-in Hall Sensor
Features
General Description
The APX9170 is an integrated Hall Effect Sensor IC designed for electric commutation of single-phase DC brushless motor applications. The device is built-in lock protection. When fan is locked, the device will enter the lock protection mode. It is also with thermal shutdown function. The APX9170 is available in a low cost TSOT23-6F and TSOT23-6 packages.
Features
- On-chip Hall Sensor
- High Sensitivity Hall Effect Sensor IC: ±15G(Typ.)
- Built-in Lock Protection and Auto Restart Function
- Speed Controllable by DC Input Signal
- FG Output (for APX9170)
- Built-in Thermal Protection Circuit
- 6 Pin TSOT23-6F and TSOT23-6 Packages
- Lead Free and Green Devices Available (RoHS Compliant)
General Description
The APX9170 is an integrated Hall Effect Sensor IC designed for electric commutation of single-phase DC brushless motor applications. The device is built-in lock protection. When fan is locked, the device will enter the lock protection mode. It is also with thermal shutdown function. The APX9170 is available in a low cost TSOT23-6F and TSOT23-6 packages.
APX9170D
Active
Single-Phase Full-Wave Motor Driver with Built-in Hall Sensor
Features
General Description
The APX9170D is an integrated Hall Effect Sensor IC designed for electric commutation of single-phase DC brushless motor applications. The device is built-in lock protection. When fan is locked, the device will enter the lock protection mode. It is also with thermal shutdown function. The APX9170D is available in a low cost TO92-M4 package.
Features
- On-Chip Hall Sensor
- High Sensitivity Hall Effect Sensor IC: ±15G(Type.)
- Built-in Lock Protection and Auto Restart Function
- Built-In Thermal Protection Circuit
- 4 Pin TO92-M4 Package
- Lead Free and Green Devices Available (RoHS Compliant)
General Description
The APX9170D is an integrated Hall Effect Sensor IC designed for electric commutation of single-phase DC brushless motor applications. The device is built-in lock protection. When fan is locked, the device will enter the lock protection mode. It is also with thermal shutdown function. The APX9170D is available in a low cost TO92-M4 package.
APX9172
Active
Single-Phase Full-Wave Motor Driver with Built-in Hall Sensor
Features
General Description
The APX9172 is an integrated Hall Effect Sensor IC designed for electric commutation of single-phase DC brushless motor applications. The device is built-in lock protection. When fan is locked, the device will enter the lock protection mode. It is also with thermal shutdown function. The APX9172 is available in a low cost TSOT23-6F, TSOT23-6 and SOP-8F packages.
Features
- On-chip Hall Sensor
- High SensitivityHall Effect Sensor IC: ±15G(Typ.)
- Built-in Lock Protection and Auto Restart Function
- Speed Controllable by PWM Input Signal
- FG Output (for APX9172)
- Built-in Thermal Protection Circuit
- 6 Pin TSOT23-6F, TSOT23-6 and SOP-8F Packages
- Lead Free and Green Devices Available (RoHS Compliant)
General Description
The APX9172 is an integrated Hall Effect Sensor IC designed for electric commutation of single-phase DC brushless motor applications. The device is built-in lock protection. When fan is locked, the device will enter the lock protection mode. It is also with thermal shutdown function. The APX9172 is available in a low cost TSOT23-6F, TSOT23-6 and SOP-8F packages.
APX9173
Active
Single-Phase Full-Wave Motor Driver with Built-in Hall Sensor
Features
General Description
The APX9173 is an integrated Hall Effect Sensor ICs designed for electric commutation of single-phase DC brushless motor applications. The device is built-in lock protection. When fan is locked, the device will enter the lock protection mode. It is also with thermal shutdown function. The APX9173 is available in a low cost SOP-8F package.
Features
- On-chip Hall Sensor
- Silent Driver
- High Sensitivity Hall Effect Sensor IC: ±15G
- Built-in Reverse Voltage Protection Circuit
- Built-in Soft Start Function
- Built-in PWM Soft Switch Function
- Built-in Variable Speed Curve Function
- Built-in Current Limit Circuit
- Built-in Lock Protection and Auto Restart Function
- Built-In Quick Start Function
- FG (Rotation Speed Detection) Output
- Built-in Thermal Protection Circuit
General Description
The APX9173 is an integrated Hall Effect Sensor ICs designed for electric commutation of single-phase DC brushless motor applications. The device is built-in lock protection. When fan is locked, the device will enter the lock protection mode. It is also with thermal shutdown function. The APX9173 is available in a low cost SOP-8F package.
APX9173A
Active
Single-Phase Full-Wave Motor Driver with Built-in Hall Sensor
Features
General Description
The APX9173A is an integrated Hall Effect Sensor ICs designed for electric commutation of single-phase DC brushless motor applications. The device is built-in lock protection. When fan is locked, the device will enter the lock protection mode. It is also with thermal shutdown function. The APX9173A is available in a low cost SOP-8F package.
Features
- On-chip Hall Sensor
- Silent Driver
- High Sensitivity Hall Effect Sensor IC: ±15G
- Built-in Reverse Voltage Protection Circuit
- Built-in Soft Start Function
- Built-in PWM Soft Switch Function
- Built-in Variable Speed Curve Function
- Built-in Current Limit Circuit
- Built-in Lock Protection and Auto Restart Function
- Built-In Quick Start Function
- FG (Rotation Speed Detection) Output
- Built-in Thermal Protection Circuit
General Description
The APX9173A is an integrated Hall Effect Sensor ICs designed for electric commutation of single-phase DC brushless motor applications. The device is built-in lock protection. When fan is locked, the device will enter the lock protection mode. It is also with thermal shutdown function. The APX9173A is available in a low cost SOP-8F package.
APX9164
Active
Single-Phase Full-Wave Motor Driver with Built-in Hall Sensor
Features
General Description
The APX9164 is an integrated Hall Effect Sensor IC designed for electric commutation of single-phase DC brushless motor applications. In DC fan applications, the APX9164 internal PWM will be enabled under 8V (typ.) VDD supply voltage for lower speed application. The device is built-in lock protection. When fan is locked, the device will enter the lock protection mode. It is also with thermal shutdown function. The APX9164 is available in a low cost TO92-M4 package.
Features
- On-Chip Hall Sensor
- Silent Driver
- Lower Speed Under 8V(Typ.) VDD Supply Voltage
- High Sensitivity Hall Effect Sensor IC: ±25G(Type.)
- Built-in Lock Protection and Auto Restart Function
- Built-In Thermal Protection Circuit
- 4 Pin TO92-M4 Package
- Lead Free and Green Devices Available (RoHS Compliant)
General Description
The APX9164 is an integrated Hall Effect Sensor IC designed for electric commutation of single-phase DC brushless motor applications. In DC fan applications, the APX9164 internal PWM will be enabled under 8V (typ.) VDD supply voltage for lower speed application. The device is built-in lock protection. When fan is locked, the device will enter the lock protection mode. It is also with thermal shutdown function. The APX9164 is available in a low cost TO92-M4 package.
APX9164A
Active
Single-Phase Full-Wave Motor Driver with Built-in Hall Sensor
Features
General Description
The APX9164A is an integrated Hall Effect Sensor IC designed for electric commutation of single-phase DC brushless motor applications. The device is built-in lock protection. When fan is locked, the device will enter the lock protection mode. It is also with thermal shutdown function. The APX9164A is available in a low cost TO92-M4 package.
Features
- On-Chip Hall Sensor
- Silent Driver
- High Sensitivity Hall Effect Sensor IC: ±25G(Type.)
- Built-in Lock Protection and Auto Restart Function
- Built-In Thermal Protection Circuit
- 4 Pin TO92-M4 Package
- Lead Free and Green Devices Available (RoHS Compliant)
General Description
The APX9164A is an integrated Hall Effect Sensor IC designed for electric commutation of single-phase DC brushless motor applications. The device is built-in lock protection. When fan is locked, the device will enter the lock protection mode. It is also with thermal shutdown function. The APX9164A is available in a low cost TO92-M4 package.
APX9174
Active
Single-Phase Full-Wave Motor Driver with Built-in Hall Sensor
Features
General Description
The APX9174 is an integrated Hall Effect Sensor ICs designed for electric commutation of single-phase DC brushless motor applications. The device is built-in lock protection. When fan is locked, the device will enter the lock protection mode. It is also with thermal shutdown function. The APX9174 is available in a low cost SOP-10F and DFN3x3-10 package.
Features
- On-chip Hall Sensor
- Silent Driver
- High Sensitivity Hall Effect Sensor IC: ±15G
- Built-in Soft Start Function
- Built-in PWM Soft Switch Function
- Built-in Variable Speed Curve Function
- Speed Control by Direct PWM or DC Voltage Signal
- Built-in Current Limit Circuit
- Built-in Over Voltage Protection (OVP) Function
- Built-in Lock Protection and Auto Restart Function
- Built-in Auto Roff and Auto Leading Angle for GMD (Green Motor Drive)
- Built-In Quick Start Function
- MIN, MID and SP1 are Multi Function
General Description
The APX9174 is an integrated Hall Effect Sensor ICs designed for electric commutation of single-phase DC brushless motor applications. The device is built-in lock protection. When fan is locked, the device will enter the lock protection mode. It is also with thermal shutdown function. The APX9174 is available in a low cost SOP-10F and DFN3x3-10 package.
APX9710
Active
Single-Phase Full-Wave Motor Driver with Built-in Hall Sensor
Features
General Description
The APX9710 is an integrated Hall Effect Sensor IC designed for electric commutation of single-phase DC brushless motor applications. The device cat set speed curve, signal output type (FG/RD), soft start, current limit, lock protection and the parameters of output phase change. Using digital programming (OTP x 2 Bank), it’s much easier and adjustable for applications. It is also with thermal shutdown protection function. The APX9710 is available in low cost TSOT-23-6 packages.
Features
- On-chip Hall Sensor
- OTP (2 banks) for function programming
- High Sensitivity Hall Effect Sensor IC: ±15G (Typ.)
- Speed Controllable by PWM Input signal
- FG/RD Output
- Built-in Speed Curve setting
- Built-in Phase-Shift Angle setting (LA)
- Built-in PWM Soft-Switch setting (SW)
- Built-in Auto-Off control
- Built-in Soft Start & Duty change slope setting
- Built-in Current Limit level setting
- Built-in Lock Protection and Auto Restart Function
General Description
The APX9710 is an integrated Hall Effect Sensor IC designed for electric commutation of single-phase DC brushless motor applications. The device cat set speed curve, signal output type (FG/RD), soft start, current limit, lock protection and the parameters of output phase change. Using digital programming (OTP x 2 Bank), it’s much easier and adjustable for applications. It is also with thermal shutdown protection function. The APX9710 is available in low cost TSOT-23-6 packages.